Perfotreden of profieltreden zijn traptreden die speciaal geponste profielgaten hebben aan de bovenzijde van de plank, om extra grip en veiligheid te bieden tijdens het traplopen. Deze profielen zijn in de basis opgebouwd zoals de geperforeerde planken en kunnen verschillende vormen hebben, afhankelijk van de toepassing en vereisten. Bordessen en traptreden lopen op deze manier ook op een esthetische manier in elkaar over tot een consistent geheel.
Profieltreden worden vaak gebruikt in openbare gebouwen, industriële omgevingen en buitentrappen waar slipgevaar een risico kan vormen. De kleine perforatie zorgen tevens voor weinig doorkijk naar onderen wat eveneens het eng hoogtegevoel wegneemt en daarnaast de traptreden voorzien van een uitstekende drainage.
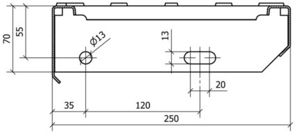
Voor een optimale veiligheid van de traptreden kan bijkomstig een antisliprand worden aangebracht. Bovendien worden de treden standaard geleverd met geperforeerde zijplaten volgens DIN 24531-2. Zowat elke maatvoering is mogelijk!
